◆ Lower noise refueling;
◆ Integrated 20µm self-cleaning particle filter;
◆ Integrated high flow rate check valve;
◆ Sealing friendly design;
◆ Wide temperature range: -40∼+85℃;
◆ Coding for pressure range and gas type
Hydrogen Fueling Components Manual
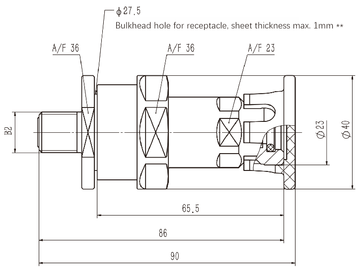
HR1-70A Hydrogen Receptacle Selection Guide
| Technical data | |
| Product name | LANGAN®HR1-70A 70MPa High Flow Hydrogen Receptacle for Fuel Cell Cars |
| Pressure range | PN=70MPa, PS=87.5MPa |
| Nominal bore (DN) | 3mm |
| Temperature range | -40℃∼+85℃ |
| Materials | Corrosion resistant |
| Sealing materials | Hydrogen resistant |
| Design features | With protection cap, integrated particle filter (20µm) and build-in check valve |
1. Description: LANGAN®HR1-70A Receptacle for 70MPa Hydrogen Fuel Cells is designed for light-duty vehicles, such as cars, vans and forklift, of hydrogen filling with pressure range up to 70MPa.
◆ High quality materials allow long lifespan, optimize production efficiency and maximize cost performance.
◆ HR1-70A receptacle for hydrogen gas fueling is equipped with an integrated check valve system to minimize the effect that dirt particles have on the components.
◆ Coding for pressure range and gas type eliminates the risk of exceeding the maximium pressure and clears the avaiable gas type.
2. Application:
For fueling high pressure 70MPa hydrogen fuel cell light-duty vehicles of cars and forklift:

3. Comparision of LANGAN® Hydrogen Refueling Receptacles
| Receptacle No. | Pressure (PN) | Applicable | Filter size |
| HR1-35A | 35MPa | Light duty: cars, forklift etc | 40µm or 50µm |
| HR5-35A | 35MPa | Buses&trucks | 50µm |
| HR1-70A | 70MPa | Light duty: cars, forklift etc | 20µm |
4. How to order:
With years of experience and extensive expertise in hydrogen fueling industry, we are prefessional for hydrogen refueling solutions. Please feel free to INQUIRE us. Customized hydrogen receptacles are on request.
★ For more details, please download
HR1-70A Hydrogen Receptacle Selection Guide.