◆ Lower noise refueling;
◆ Integrated 50µm self-cleaning particle filter;
◆ Integrated high flow rate check valve;
◆ Sealing friendly design;
◆ Wide temperature range: -40℃∼+85℃
◆ Coding for pressure range and gas type
Hydrogen Fueling Components Manual
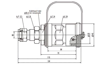
HR5-35A Hydrogen Receptacle Selection Guide
| Technical data | |
| Product name | LANGAN® HR5-35A hydrogen receptacle for refueling buses and trucks |
| Pressure range | PN=35MPa, PS=45MPa |
| Nominal bore (DN) | Max. 12mm, depending on designs |
| Temperature range | -40℃∼+85℃ |
| Materials | Corrosion resistant |
| Sealing material | Hydrogen resistant |
| Design features |
With protective cap; with or without integrated particle filter (50µm); integrated check valve and accessories (only for receptacles with tube fitting) |
1. Description:
LANGAN® HR5-35A hydrogen fueling receptacle is specially developed for 35MPa hydrogen fuel cell buses and trucks.
The receptacle is durable to minimize maintenance and downtime.
High quality materials allow long lifespan, optimize production efficiency and maximize cost performance.
Integrated check valve system to minimize the effect that dirt particles have on the components.
It is also fitted with a coding for pressure range and gas type, which eliminates the risk of exceeding the maximium pressure and clears the avaiable gas type.
2. Safety design:
HR5-35A hydrogen fueling receptacle for heavy duty vehicles has an integrated 50µm self-cleaning filter located in front of the receptacle shut-off. This stops most of the dirt, particles and road grime. The filter protects from impurities that can damage the receptacle seals as well as components in the vehicle fuel system.
3. Application:
For fueling Hydrogen for hydrogen fuel cell vehicles of buses and trucks.

4. Comparision of LANGAN® Hydrogen Refueling Receptacles
| Receptacle No. | Pressure (PN) | Applicable | Filter size |
| HR1-35A | 35MPa | Light duty: cars, forklift etc | 40µm or 50µm |
| HR5-35A | 35MPa | Buses&trucks | 50µm |
| HR1-70A | 70MPa | Light duty: cars, forklift etc | 20µm |
5. How to order:
With years of experience and extensive expertise in hydrogen fueling industry, we are prefessional for hydrogen refueling solutions. Please feel free to INQUIRE us. Customized hydrogen receptacles are on request.
★ For more details, please download
HR5-35A Hydrogen Receptacle Selection Guide