◆ High-grade material
◆ Connection in seconds
◆ Automated sealing on the test pieces
◆ Time and cost saving
◆ No hand or wrench tightening required
LANGAN® Quick Connector Catalog
LANGAN® LA302 Quick Connector Selection Guide
| Technical data | |
| Product name | LANGAN® LA302 pneumatic and oil hydraulic pressure and function and leak test quick connector |
| Connection type | Components with internal/female threads |
| Operation pressure (PS) | Vacuum up to 350 bar |
| Actuation method | Manual acutation via clamping lever |
| Leak rate | 1*10-3 mbar.l/s(10-4 Pa.m3/s) |
| Temperature range | +5℃~+80℃ |
| Materials of construction | Corrosion resistant stainless steel and anodized aluminium, other materials available on request |
| Sealing material | NBR, other material available on request |
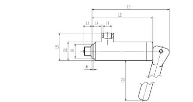
1. Description: The LA302 quick adapter for leak test, is specially designed for pressure and function testing of female threaded components.
The front O-ring securely seals the connection and no additional clamping devices are required. The connector provides ease of maintainance due to its internal single seal.
2. Operating instruction:
Please strictly follow the operation steps. Improper operation can cause poor sealing, leakage and risk of connection failure resulting in damage or injury. Do not disconnect the connector while under pressure. Damage or injury may occur.
◆ Press the hand lever;
◆ With the hand lever pressed, insert the connector straightly into the test piece until the front seal contacts the test piece. Release the hand lever. Then the connector achieves a pressure-tight connection. Pull the connector lightly to make sure that connector is firmly connected in place;
◆ Apply the required test pressure to media inlet to start the test process;
◆ At the end of the test process, vent the media line completely. Make sure to depressurize the connector before releasing the connection;
Actuate the lever and pull the connector straight back to disconnect the connector with the test piece.
3. Application:
LA302 leak test fastk connector and seal is an ideal tool for internal threaded applications. It is suitable for testing engines, cylinders and hydrogen oil line etc.
CONNECTS TO:

4. How to order:
LA302 leak test fast connectors and seals are designed for internal threaded components. Normally we need the following information for ordering:
◆ Part numbers ◆ Pressure range
◆ Media/requested leak rate ◆ Temperature range
◆ Space requirement (interference contours, clearance, etc.)
◆ CAD drawing, 3D model of the test piece
★ For detailed part numbers and dimensions, please download
LA302 Quick Connector Selection Guide.

5. How to customize:
Customized quick connectors are designed to a specific client's demand to perfectly adapt to testing space, various connection ends and surface conditions. Please click and INQUIRE us.
