● Payload: 100kg;
● 2 locations for module mounting, and 5 pneumatic ports of G3/8;
● For sorting, transporting, assembling, grinding, welding and deburring etc.;
● Self-locking machanism;
● With 2 proximity sensors to monitor the locking and unlocking statusat real time.
LANGAN® Robotic Tool Changer Catalog
LANGAN® LA-RTC100 Robotic Tool Changer Selection Guide
LANGAN®Robotic Tool Changer provides a strong and reliable support for the seamless switching or changing between different toolings, which significantly reduces downtime and increases overall throughput as well as safety.
Robotic Tool Changer manufacturers keep working to meet the soaring demand for robots for various industrial applications.
LANGAN® LA-RTC100 Automatic Robotic Tool Changer (ATC), end-of-arm tooling solutions, with payload to 100kg, provides flexibility and efficiency.
1. Technical data:
| Product name | LANGAN® LA-RTC100 Automatic Robot Tool Changer with payload to 100kg | ||
| Main body | Rated payload | 100kg | |
| Static moment (X&Y) | 540 N.m | ||
| Static torque (Z) | 680 N.m | ||
| Locking force | 12,000N | ||
| Housing size (X, Y & Z) | Φ 160*68.8 mm | ||
| Positioning repeatibility accuracy (X, Y & Z) | ±0.02mm | ||
| Weight | Master plate | 3600g | |
| Tool plate | 2600g | ||
| Material | Main body material | Aluminium alloy | |
| Locking unit material | Steel alloy | ||
| Locking unit | Ball locking | ||
| Pilot pressure | 0.4-0.7MPa | ||
| Pneumatic port | G 3/8 (5 ports) | ||
| Pilot air inlet | G 1/8 | ||
Note: Customized version available on request for harsh and special working conditions.
2. Features:
● Payload: 100kg;
● Main body is fitted with 2 locations for module mounting, and 5 pneumatic ports of G3/8;
● For sorting, transporting, assembling, grinding, welding and deburring etc.;
● With self-locking function to prevent master plate and tool plate from being seperated due to accidential cut-off of air supply;
● With 2 proximity sensors to monitor the locking and unlocking status at real time.
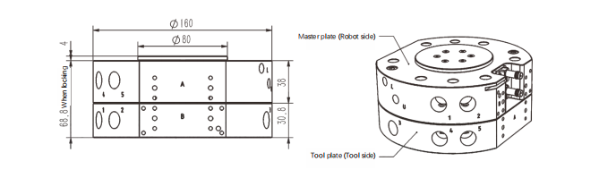
3. Dimensional drawings of LA-RTC100 Robot Tool Changer:
A Robot Tool Changer consists of a master plate and a tool plate, which are designed to lock together automatically. The Master plate of the Tool Changer mounts to a robot. The tool plate of the Tool Changer mounts to toolings of grippers, welders, or deburring tools etc.
The robot tool changer allows the robot to switch from one tool to another quickly, accurately and efficiently.

4. Mounting hole diagrams of LA-RTC100 Robot Tool Changer:

5. Optional modules:

6. Working environmental conditions:
• Ambient temperature: 0℃ ~ 60 ℃ • Humidity: 0~95%
Robot Tool Changer for grippers and end effectors should be able to operate within a specific temperature range to ensure optimal performance and lifespan. It is advisable to consider the environmental conditions of your automation system and select a tool changer that can withstand these conditions.
Note: Please indicate to us when ordering if substances, such as dust, iron particles and acid gas etc, are present in the working environment.
7. Ordering:
As a manufacturer and supplier of Robotic Tool Changers, LANGAN® Robot Tool Changer models cover an extensive range of applications, from very small payloads 10kg to heavy payload 630kg. Custom-tailored robot tool changer models are available on request.
If you are interested in our Robot Tool Changer, Please feel free to inquire us.