◆ Easy operation;
◆ Type C hydrogen nozzle as per SAEJ2600 and ISO17268;
◆ Compatible with HR1 hydrogen receptacle;
◆ 250° swivel joint for air inlet
◆ High flow rate, shorter filling time;
◆ Protection agaist impact and cold;
◆ Thermal protection;
◆ Jaw locking mechanism;
◆ Coding for pressure range and gas type
Hydrogen Fueling Components Manual
HF17-70A Hydrogen Fueling Nozzle Selection Guide
| Technical data | |
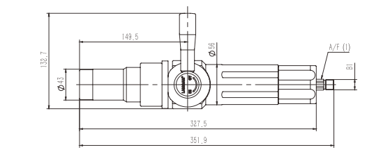
| Product name | LANGAN® HF17-70A 70MPa High Pressure Hydrogen Refueling Nozzle |
| Nominal bore (DN) | 4mm |
| Pressure range | PN=70MPa, PS=87.5MPa |
| Nozzle type | Type C, as per SAE J2006:2015 and previous respectively; as per ISO 17268:2012 and previous respectively |
| Max. permissible pressure range (not in use) | PS=50MPa |
| Media temperature range | -40℃∼+85℃ |
| Ambidient temperature range | -40℃∼+85℃ |
| Body material | Corrosion resistant |
| Sealing material | Hydrogen resistant |
| Design | With plastic thermal protection |
| Weight | About 2.2kg |
| Test and certificate | Test as per SAE J2600:2002 |
1. Description: LANGAN® HF17-70A 70MPa Hydrogen Refueling Nozzle provides quick fueling of hydrogen fuel cell cars.
It features ease of operation. Simply lift the nozzle from the dispenser mounting and place it on the vehicle's receptacle. The integrated swivel joint can help the coupling freely rotate by approximately 250°. Then pull back the actuation lever by 180° and the refueling process can start. The hydrogen can only flow through the line when there is a safe connection. When fueling is complete, the fueling nozzle is disconnected by turning the actuation lever reversely. Meanwhile, refueling can be stopped or paused at any time.

2. Satety designs
◆ Coding of the pressure range and gas type: Removing the risk of exceeding the max. permissible pressure and confusion with the natural gas during the fueling;
◆ Jaw locking mechanism: Designed specially for the frequent plugging and unplugging of high pressure hydrogen refueling process, providing optimal safety to the operators;
◆ Impact and cold protection: Providing more safety and makes the nozzle more durable in the harsh and difficult refueling environment.
3. Application:
The hydrogen refueling nozzle is mounted on hydrogen dispenser in the self-service hydrogen fueling station for fast hydrogen fueling.

4. Comparision of LANGAN® Hydrogen Refueling Nozzle:
| Nozzle No. | Nominal Bore (DN) | Pressure PN | Weight | Nozzle type | Data interface | Applicable | Compatible receptable |
| HF16-35A | 8mm | 35MPa | 2.5kg | Type A | Without | Light duty vehicles | HR1-35A |
| HF16-35AD | 8mm | 35MPa | 2.8kg | Type A | With | Light duty vehicles | |
| HF25-35A | 12mm | 35MPa | 4.7kg | Type A | Without | Buses&turcks | HR5-35A |
| HF17-70A | 4mm | 70MPa | 2.2kg | Type C | Without | Light duty vehicles | HR1-70A |
| HF17-70AND | 4mm | 70MPa | 2.7kg | Type C | With | Light duty vehicles |
5. How to order:
With years of experience and extensive expertise in hydrogen fueling industry, we are prefessional for hydrogen refueling solutions. Please feel free to INQUIRE us. Customized hydrogen receptacles are on request.
★ For more details, please download
HF17-70A Hydrogen Fueling Nozzle Selection Guide